Die wichtigste Norm für barrierefreies Bauen, die sich auch detailliert mit den spezifischen Anforderungen an Türen beschäftigt, ist die DIN 18040. Dieses Dokument gliedert sich in Teil 1 für den öffentlichen und Teil 2 für den privaten Bereich.
DIN 18040
Der Normenausschuss NA 005-01-11 AA „Barrierefreies Bauen“ entwickelte die DIN 18040. Diese Norm stellt die technischen Details zusammen, auf die Bauherren, Architekten und Planer achten müssen, wenn sie barrierefreie Gebäude errichten sollen. Dabei werden vor allem die Bedürfnisse von blinden oder tauben Menschen sowie von motorisch eingeschränkten Personen, insbesondere wenn sie auf Rollstühle angewiesen sind, berücksichtigt. Aber auch die Allgemeinheit profitiert von Maßnahmen nach DIN 18040. So trägt die Norm im Sinne des BGGs zu einer gleichberechtigteren Nutzbarkeit von Gebäuden bei.
Dazu muss so gebaut werden, dass alle das betreffende Gebäude erreichen, sich darin bewegen und orientieren können. Bewegungsflächen, auf denen Rollstuhlfahrer oder Personen mit Rollator rangieren können, leicht zu betätigende Bedienelemente, Informations- sowie Orientierungssysteme nach dem Zwei-Sinne-Prinzip und viele andere bauliche oder technische Maßnahme lassen aus diesen Anforderung Realität werden.
DIN 18040-1: Öffentlich zugängliche Gebäude
Dieser Teil der Norm erschien im Oktober 2010. Er befasst sich mit der barrierefreien Planung, Ausführung und Ausstattung von öffentlichen Gebäuden und deren Außenanlagen. In seinen Anwendungsbereich fallen nach den Forderungen der MBO Schulen, Kultureinrichtungen, Sport- und Freizeitstätten, Einrichtungen des Gesundheitswesens, Büro-, Verwaltungs- und Gerichtsgebäude, Verkaufs- und Gaststätten, Stellplätze, Garagen und Toilettenanlagen. Die Vorgaben der DIN 18040-1 betreffen Neubauten und sollten in etwa auch bei Umbauten und Modernisierungen angewendet werden.
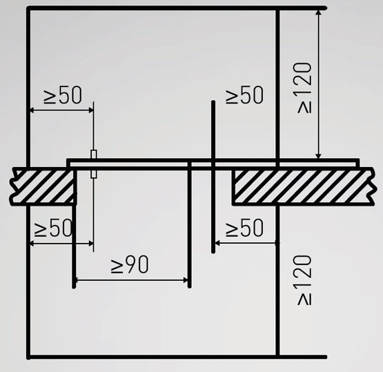
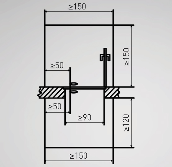
Die DIN 18040-1 gibt technische Empfehlungen für die Erschließung von Gehwegen, Verkehrsflächen und Parkplätzen sowie den Zugangs- und Eingangsbereich. Im Innenbereich regelt sie Anforderungen an Türen, Bodenbeläge, Aufzüge, Treppen, Rampen, Rollstuhlrampen, Informationssysteme, Bedien- und Ausstattungselemente, Serviceschalter, Kassen, Alarmierung, Evakuierung, Räume, Toiletten, Wasch- und Duschplätze und Umkleiden.
DIN 18040-2: Wohnungen
Veröffentlicht im November 2011 stellt dieser Teil der Norm das Äquivalent zu Teil 1 dar und gilt für neugebaute, modernisierte oder sanierte Wohnungen. Wohngebäude sollen grundsätzlich auch für Rollstuhlfahrer zugänglich sein. Bei einzelnen Wohnungen unterscheidet die Norm zwischen barrierefrei und rollstuhlgerecht. Rollstuhlgerechte Wohnungen zeichnen sich durch größere Bewegungsflächen aus und müssen zusätzliche oder strengere Anforderungen erfüllen, welche mit „R“ kenntlich gemacht werden.
Die DIN 18040-2 deckt folgende Bereiche ab: Grundstücke (Gehwege, Verkehrsflächen, Parkplätze), Terrassen, Balkons, Zugangs- und Eingangsbereiche und im Inneren Flure, Türen, Fenster, Treppen, Rampen, Rollstuhlabstellplätze, Systeme zur Warnung, Orientierung oder Information, Bedienelemente, Kommunikationsanlagen, Sanitär-, Wohn- und Schlafräume sowie Küchen.